אודות חברת EMBD

את חברת EMBD הקמנו לאחר 30 שנות עבודה במעבדות פיתוח ודיאגנוסטיקה של מערכות הנעה, המשומשות במערכות עיבוד שבבי גדולות.

אנו, בוגרי טכניון פוליטכני, ניז'ני נובגורוד, ברה"מ לשעבר, שם התמחנו בתחום מערכות משובצות מחשב ובקרות הנעה מדויקות.

יחד עם הנסיון מהעבודה, צברנו ידע רב במערכות בקרה אנלוגיות ודיגיטליות, זאת, תוך שימוש בכלים תאורטיים ופראקטיים. עברנו דרך ארוכה של למידה והתקדמות אדירה של הטכנולוגיות בתחומים שונים .

מבין הפרוייקטים בהם עבדנו  :

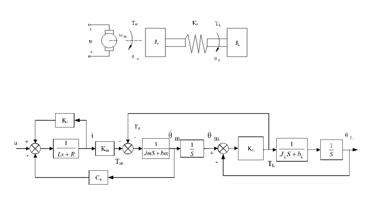
  • פיתוח וחישובים של מערכת בקרה למנועי רכבת חשמלית.
  • מערכת העתקה של CNC עם חיישן שגיאה מובנה במערכת עיבוד אות דיגיטלית.
  • פיתוח תוכנה משובצת לסוגים שונים של מיקרובקרים.
  • עיבוד אותות דיגיטלים בשימוש של תקשורת ופריפריות.  

 CORRELATION FUNCTIONS, FILTERS, CAN – ETHERNET